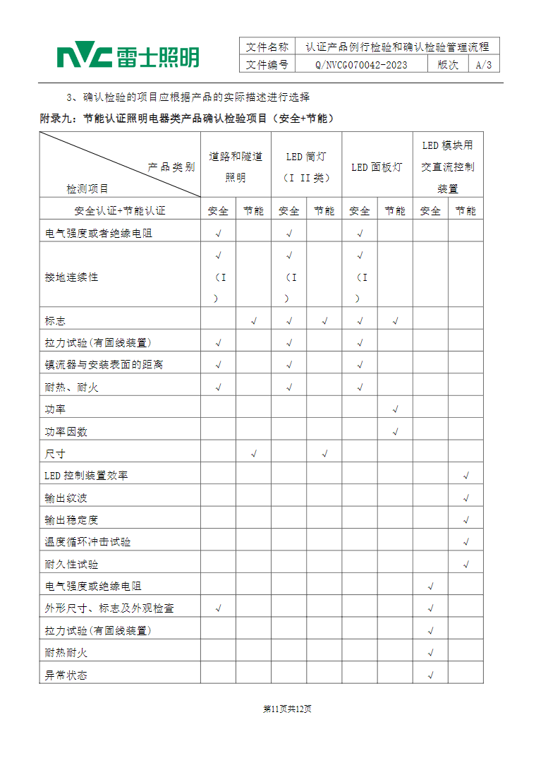
QNVCG070042-2023认证产品例行检验和确认检验管理流程A3

2023-07-13 14:20:38

1.png2.png3.png4.png5.png6.png7.png8.png9.png10.png11.png12.png12.png14.png

文章相关资源下载

评论列表 共有 0 条评论

暂无评论

最新更新

  • 汇总 | 2024年全球照明相关展会排期一览表(74场)

  • 雷士列第一名,2023天猫双11照明品牌战报出炉

  • 我国出口欧盟照明产品的质量情况分析

  • 雷士照明携手惠州光正学校共同打造健康明亮校园

  • AI技术将给影视行业带来哪些威胁和冲击?

  • 双11物流再提速,众品牌争当“史上最快”?

意见反馈 返回
顶部